Changement de la motorisation d’une monture type HEQ5 par un système poulies / courroies.
Introduction :
Après démontage de mon Heq5, puis graissage et changement des roulements sur les axes AD et DEC, je voulais augmenter la qualité de la monture. J’ai donc pensé à remplacer les motoréducteurs.
Après quelques recherches, je suis tombé sur le site Astrimage proposant un montage (PicAstro) à réaliser soi-même pour commander des moteurs pas à pas et installer un entraînement par poulies/courroies.
Voici donc, par l’image le changement de la motorisation d’origine par le nouveau système.
Nb : toutes les cotes sont données pour le montage de moteurs type ITC-CNC1.
1 – Démontage des moteurs :
- Enlever la plaque cachant les moteurs :
Pour cela à l’aide d’un tournevis cruciforme, enlever les 6 vis noires maintenant le cache en plastique.

- Enlever les moteurs :
– Enlever le cache noir, protégeant le viseur polaire et l’électronique de commande (flèches rouges), deux vis de chaque coté du capot.

- Dévisser les quatre vis fixant les platines moteurs (flèches).
- Repérer moteurs et engrenages associés dans l’éventualité d’un futur remontage…
Nb : les vis d’origines sont des modèles cruciformes et non à 6 pans.
- Repérer puis enlever les connecteurs moteur et alimentation. (Pour repérer efficacement les connecteurs, il est possible d’associer un nombre de traits au marqueur sur chaque connecteur)

- Retirer les moteurs puis dévisser la platine électronique.

- La monture ne possède désormais plus aucun élément de motorisation.
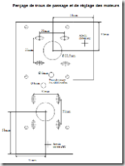
2 – Installation des poulies sur la monture :
- Il faut ensuite installer les poulies (48 dents) sur chaque axe.
– Les poulies auront été préalablement alésées à 9mm.
– Il est possible de monter les poulies, moyeux tournés vers le bas ou vers le haut.
– En installant les poulies, moyeux tournés vers le bas (sens contraire de la photo ci-dessous), il sera plus facile de les serrer sur les axes.

- Une fois les poulies installées, l’on pourra préparer les entretoises qui serviront à éloigner la plaque supportant les moteurs du bâti de la monture.
- Les filetages sur la monture sont percés à 3mm. Avant de couper à la bonne longueur les entretoises, je vous conseil d’acheter une tige filetée de 3mm et 12 écrous de 3mm. Ensuite, couper 6 morceaux de la tige à 20mm puis les visser dans le bâti. En utilisant un écrou sur chaque bout de tige, l’on pourra régler facilement la hauteur de la plaque de support des moteurs. Après il faudra remplacer l’écrou en contact avec la plaque par des morceaux de tubes alu coupés à la hauteur exacte (entretoises).
- La préparation de la monture est désormais terminée. Il restera tout de même la connexion du PicAstro à réaliser. Mais ce montage dépend du type de prise choisie (personnellement une DB15). La ou les prises seront installée(s) sur le bâti ou plus facilement sur la plaque avant plastique de la monture. Un exemple de réalisation est donné au paragraphe 5.
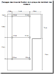
3 – Préparation de la plaque supportant les moteurs
- Il faut découper 3 plaques d’aluminium. Une épaisseur de 2mm est suffisante pour assurer une très bonne rigidité de l’ensemble.
- Il faut percer d’abord tous les trous des plaques, puis seulement ensuite les découper (scie sauteuse).
- Pour effectuer les trous de 22.5mm, l’on utilisera :
Soit une mèche en effectuant des petits trous sur la périphérie du cercle, soit des trépans ou alors mieux un emporte pièce type électrique de 22.5mm. Ce diamètre de 22.5mm est celui utilisé en standard pour percer les trous des boutons et voyant sur les armoires électriques.
- Pour les lumières de réglage de la tension des courroies, utiliser un foret de 4 pour percer deux trous aux extrémités de chaque lumière, puis fraiser entre les deux.
Nb : Les cotes sont données pour des moteurs ITC, 200 pas/tours, type CNC-1.
4 – Schémas de perçage des plaques de fixation des moteurs
- Les moteurs possèdent un bosselage autour de l’axe de 22mm. Les petites plaques serviront à surélever les moteurs de manière à garder une surface de contact moteur/plaque de soutien le plus large possible.

- Les moteurs sont ensuite fixés sur la plaque de soutien par 4 vis M3 de longueur 10mm. Les vis auront si possible une tête six pans de manière à pouvoir facilement les serrer lorsque la plaque de soutien sera en place sur la monture, ces vis serviront à régler la tension des courroies moteurs.

- Sur l’image ci-dessous, les moteurs sont fixés au travers des plaques de surélévation.
- Deux passes fil serviront à ne pas blesser les fils d’alimentation des moteurs


Pour effectuer la tension de courroies, il faut desserrer un petit peu les 4 vis de fixation de chaque moteur. Ensuit l’on règle la tension des courroies en bougeant le moteur. Un fois le réglage trouvé, l’on démontera doucement la plaque du bâti puis l’on serrera définitivement les vis des moteurs.
Il ne restera plus qu’à remonter la plaque en installant bien les courroies dans les gorges des petites poulies (s’aider d’un fil de fer recourbé ou autre…).
5 – Modification électrique du bâti :
Pour connecter Pic-Astro, il va falloir modifier légèrement la monture de manière à installer une prise DB15 (ou autre si vous préférez), une jack femelle 3.5mm pour le moteur de focuser et voir même, un bouton poussoir d’éclairage de viseur polaire.
- Démonter la plaque en plastique noir protégeant le viseur polaire (4 vis cruciformes).
- Poser du scotch de peintre (en papier) sur le coté du cache plastique où seront installées les prises.
- Pour percer la prise DB15, il est facilement possible de se faire un gabarit très exact. Il suffit de passer la pointe d’un crayon HB sur le pourtour de la prise mâle puis d’appuyer fortement celle-ci sur le scotch à l’endroit du perçage à effectuer ! L’empreinte est maintenant marquée précisément sur le scotch…
- Une fois l’empreinte de la prise percée, mettre en place provisoirement celle-ci, puis faire deux trous de 3mm pour la fixer avec deux vis.
- Percer le trou permettant le passage de l’embase femelle du focuser, (voir le diamètre suivant votre embase).
Raccordement des moteurs et accessoires :
Pour raccorder PicAstro, il va falloir brancher les fils sur la prise DB15, rien de bien difficile.
Il faudra seulement faire attention à ne pas se tromper dans les couleurs des fils moteurs.
Si l’on prend soins de câbler sa prise comme indiqué dans la notice de montage picAstro, cela va donner l’ordre suivant :

Si le moteur d’ascension droite tourne dans le mauvais sens, il suffit d’inverser les fils noir et vert.
Fabrication du câble de liaison PicAstro/monture :
Il n’est pas très aisé de trouver un câble 15 fils permettant de raccorder les prises DB15 de la monture et du boîtier PicAstro.
Pourtant, il existe une méthode simplissime :
Acheter un câble péritel souple de la bonne longueur, celui-ci étant composé de 21 fils, l’on va même pouvoir doubler les fils moteurs !

La monture terminée et reliée à PicAstro.
6 – Le fichier de configuration PA2 :
Voici, pour information, la configuration de mon PicAstro à ce jour.
Cette copie d’écran du logiciel configA1 devrait permettre un démarrage rapide de PicAstro.(cliquez pour agrandir)
7 – Annexe :
Liste du matériel nécessaire à la réalisation :
- 2 moteur pas à pas, 200 pas/tour, 12V, ITC CNC-1,
- 1 tige filetée de 3mm.
- 6 vis, tête 6 pans, Ø 3mm de longueur 10mm.
- Ecrous, rondelles de 3mm.
- 2 passe câbles.
- Une plaque d’aluminium de 2mm d’épaisseur, format A4 ou moins.
- 2 poulies, 48 dents, alésées à 9mm, réf. HPC : 48t2.5-8.
- 2 poulies, 12 dents, alésées à 5mm, ref HPC : 48t2.5-8.
- 2 courroies, longueur 160mm, réf. HPC : T 2,5/160.
- Un tube aluminium de diamètre extérieur 6mm et intérieur 4mm pour effectuer les entretoises (tous magasins de bricolage).
Outillage nécessaire à la réalisation :
- Une perceuse à colonne.
- Un emporte pièce ou autre pour faire des trous de Ø 22.5mm.
- Une mini perceuse avec des disques à tronçonner pour couper la tige filetée sans abîmer le filetage et fabriquer les entretoises.
- Des forêts de différents diamètres.
- Un jeu de clés Allen.
Pour aller plus loin :
Références des roulements d’une HEQ5 :
- 2 roulements coniques: SKF 30205 J2/Q (axes AD et DEC).
- 6 roulements droits étanches SKF 6006-2RS1 (axes AD et DEC).
- 4 roulements miniatures étanches SKF 689-2Z (vis sans fins AD et DEC).
Les bonnes adresses :
Commande de poulies et courroies :
Engrenages HPC sarl
58, chemin de la Bruyère
69570 DARDILLY, France
Tél : 04 37 496 496
Email : cial@hpceurope.com
Sites Internet :
http://www.astrimage.org/ (présentation de la commande par PicAstro).
http://astrocoolpix.net/www/index.php (forum sur PicAstro).
Tutorial écrit par ksyrium d’astrocoolpix
Télécharger l’ Installation de poulies et de courroies sur HEQ5 - Mise à jour du 30/08/07 - pdf (3 téléchargements )




Excellent support pédagogique merci ,j’hésite encore entre une EQ5 pour mon115/900 (remplacé eventuellement par une apo) et un dobson de 300 minimum pour du visuel ,ou alors une HEQ 5 aussi « picastroïsée » portant un gros machin…..
Le chab = âne Cadichon!